Published:2009/7/2 0:32:00 Author:May | From:SeekIC

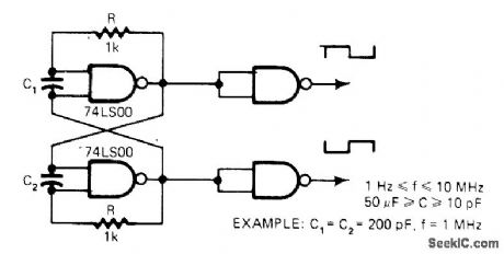
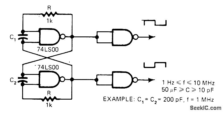
Simple circuit operating from single 5-V supply provides TTL output levels with reliable starting over wide frequency range. When capacitors are equal, period of oscillation is equal to 5×103C s. By changing ratio of C1 to C2, duty cycle can be made as low as 20%.-D. B. Arnett, One-Chip TTL Oscillator Requires One 5V Supply, EDN Magazine, Jan. 5, 1978, p 96.
Reprinted Url Of This Article:
http://www.seekic.com/circuit_diagram/Basic_Circuit/1Hz_TO_10_MHz.html
Print this Page | Comments | Reading(3)
Code: