Published:2009/7/14 3:17:00 Author:May | From:SeekIC

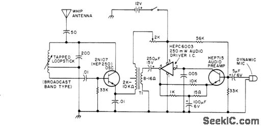
Simple low-power AM transmitter uses low-impedance output transformer in reverse to drive 2N107 oscillator stage for shortrange voice transmissions.-Circuits, 73 Magazine, June 1977, p 49.
Reprinted Url Of This Article:
http://www.seekic.com/circuit_diagram/Basic_Circuit/1_2_MHz.html
Print this Page | Comments | Reading(3)
Code: