Published:2009/7/15 4:31:00 Author:Jessie | From:SeekIC

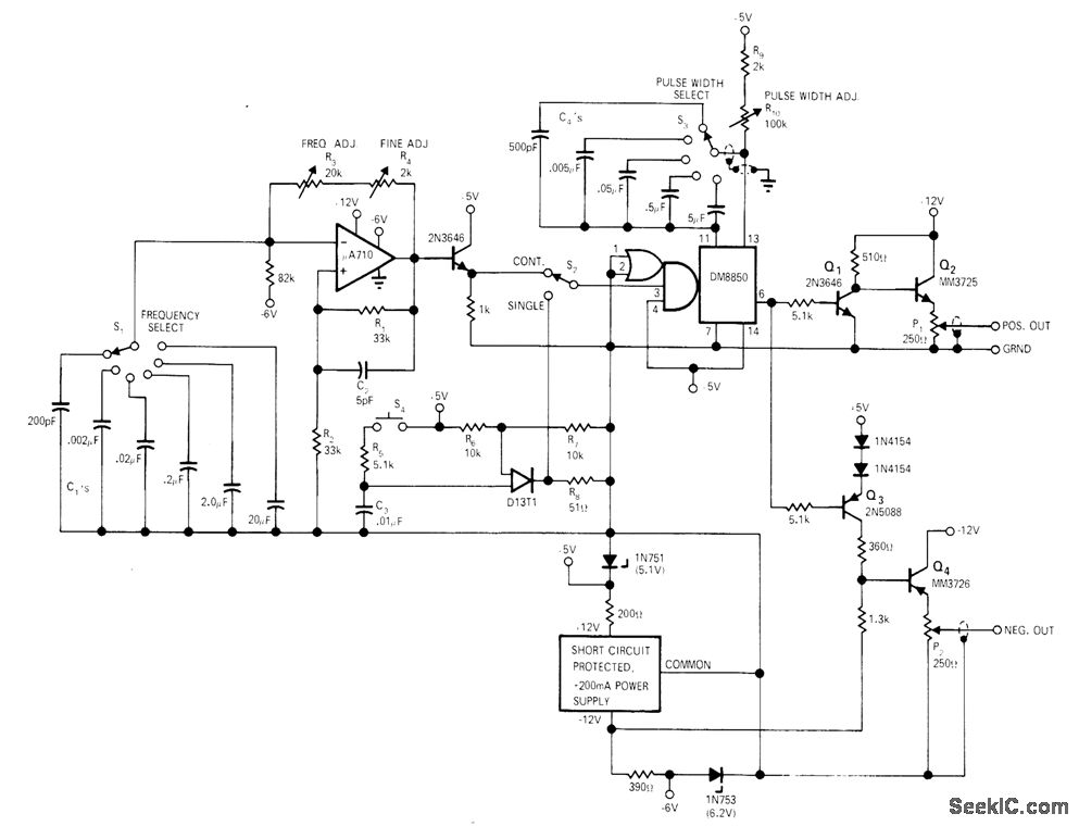
Frequency and pulse width are selected independently in decade steps with rotary switches. Vemier controls provide fine tuning and allow f up to 20% overlap of ranges. Rise and fall times are 100 ns or better. Both positive and negative outputs are provided, each adjustable from 0 to 10 V. S2 gives choice of continuous or single-pulse operation, and pushbutton S4 provides single-pulse outputs. μA710 comparator connected as astable MVBR provides trigger inputs for DM8850 retriggerable mono. Article gives circuit details and design equations.-C. Brogado, Versatile Inexpensive Pulse Generator, EDN|EEE Magazine, Oct. 1,1971, p 37-38.
Reprinted Url Of This Article:
http://www.seekic.com/circuit_diagram/Basic_Circuit/1_Hz_TO_1_MHz_ADJUSTABLE_WIDTH.html
Print this Page | Comments | Reading(3)
Code: