Published:2009/7/8 21:54:00 Author:May | From:SeekIC


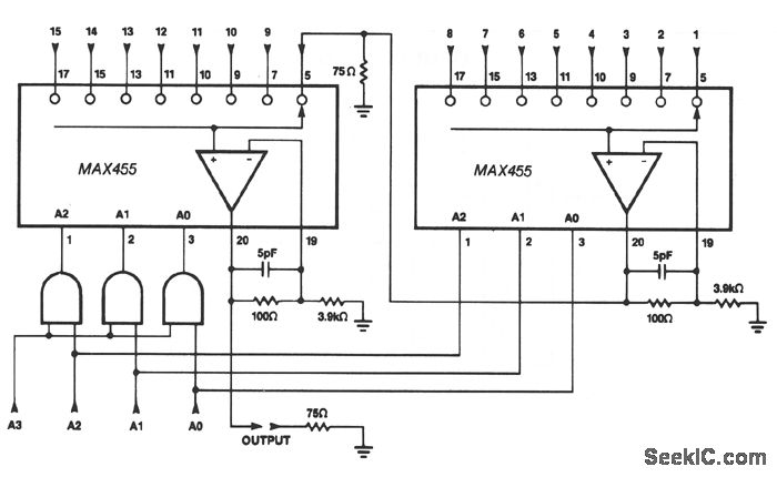
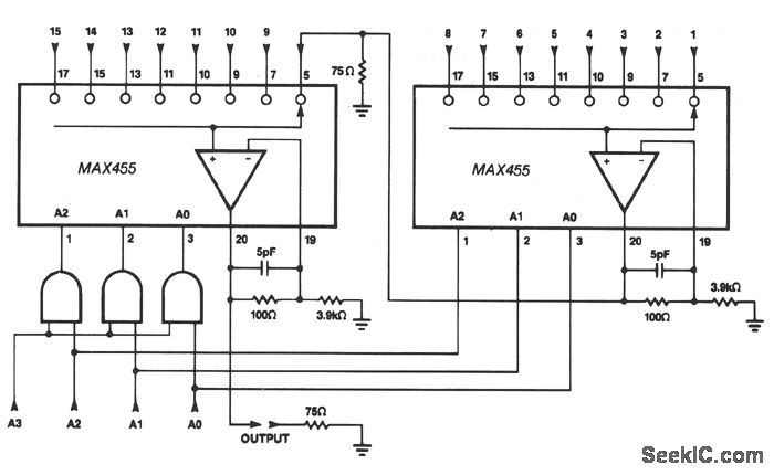
Two MAX455s can be cascaded to form a 1 of 15 video MUX by connecting the output of one MUX to one of the input channels of a second MUX. Although the two devices are usually close to one another, the output of the first MUX should be terminated to preserve its bandwidth.
Reprinted Url Of This Article:
http://www.seekic.com/circuit_diagram/Basic_Circuit/1_OF_15_CASCADED_VIDEONUX.html
Print this Page | Comments | Reading(3)
Code: