Published:2009/7/8 23:39:00 Author:May | From:SeekIC

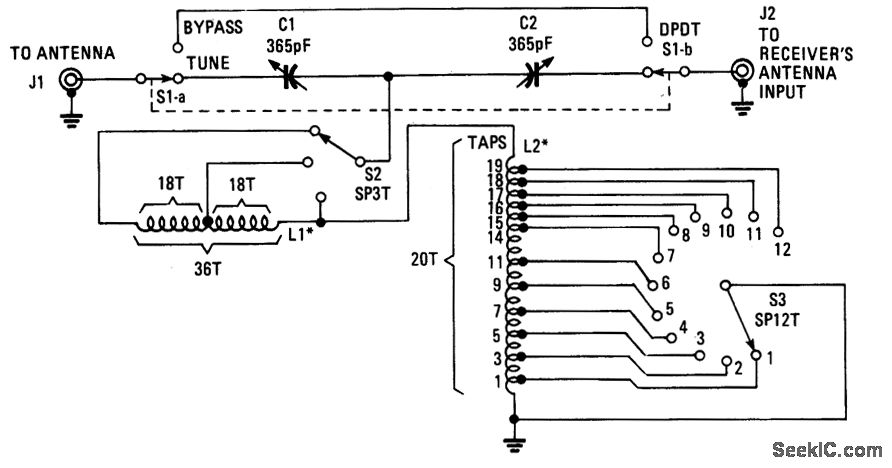
This tuner will match a random length wire antenna to a receiver or low-power transmitter (≤25 W) for optimum signal transfer.
Reprinted Url Of This Article:
http://www.seekic.com/circuit_diagram/Basic_Circuit/1_TO_30_MHz_ANTENNA_TUNER.html
Print this Page | Comments | Reading(3)
Code: