Published:2009/7/16 3:34:00 Author:Jessie | From:SeekIC

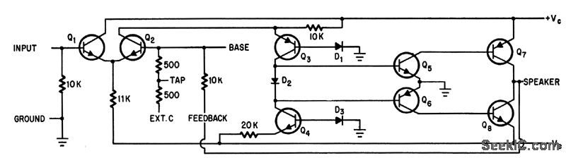
Negative d-c and ac feedback is applied to one side of differential input stage and signal to other side. With balanced power supplies, d-c output is at ground, permitting direct drive of speaker without lage d-e decoupling capacitor in MC1524 integrated circuit.-R. Hirschfeld, IC's Improve Differential Amplifiers-and Vice Versa, Electronics, 38:16, p 75-79.
Reprinted Url Of This Article:
http://www.seekic.com/circuit_diagram/Basic_Circuit/1_WATT_AUDIO_AMP.html
Print this Page | Comments | Reading(3)
Code: