Published:2009/7/2 21:47:00 Author:May | From:SeekIC

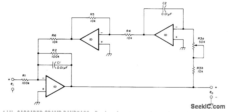
Bandwidth of only 71 Hz is achieved by using four identical three-opamp filters in series, for increased selectivity in communication or RTTY receiver. Values for R1 and R2 are made variable for first filter stage, but pot is used for R3 in all four stages so they can betuned to same center frequency. Batteries are used for supply, asfilter draws only 17 mA.-F. M. Griffee, RC Active Filters Using Op Amps, Ham Radio, Oct. 1976, p 54-58.
Reprinted Url Of This Article:
http://www.seekic.com/circuit_diagram/Basic_Circuit/1_kHz_CASCADED_OPAMP_BANDPASS.html
Print this Page | Comments | Reading(3)
Code: