Published:2009/7/14 2:07:00 Author:May | From:SeekIC

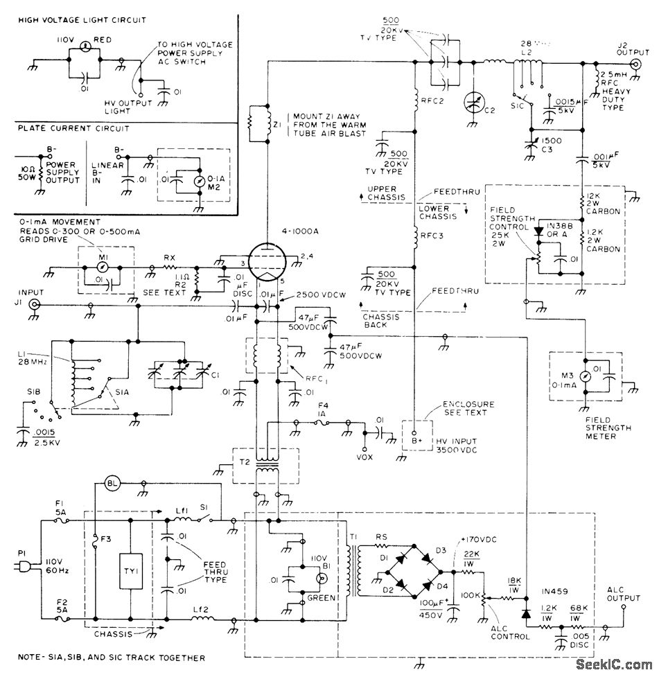
Class B linear amplifier for amateur transmitter can be switched to any band from 80 through 10 meters Do not exceed 200-mA grid drive, and do not apply full excitation without plate voltage. Tube requires blower for air cooling. Article covers construction and adjustment. -E, Hartz, 4-1000 A Grounded Grid Linear, 73 Magazine,July 1974, p 17, 19-20,22-24, and 26.
Reprinted Url Of This Article:
http://www.seekic.com/circuit_diagram/Basic_Circuit/1_kW_GROUNDED_GRID.html
Print this Page | Comments | Reading(3)
Code: