Published:2011/3/29 21:53:00 Author:muriel | Keyword: 1~99 , frequency division, count down | From:SeekIC

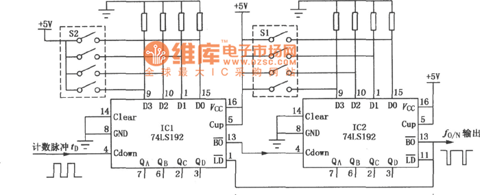
1~99 frequency division(count down) circuit
Reprinted Url Of This Article:
http://www.seekic.com/circuit_diagram/Basic_Circuit/1~99_frequency_divisioncount_down_circuit_diagram.html
Print this Page | Comments | Reading(3)
Code: