Published:2009/7/13 2:26:00 Author:May | From:SeekIC

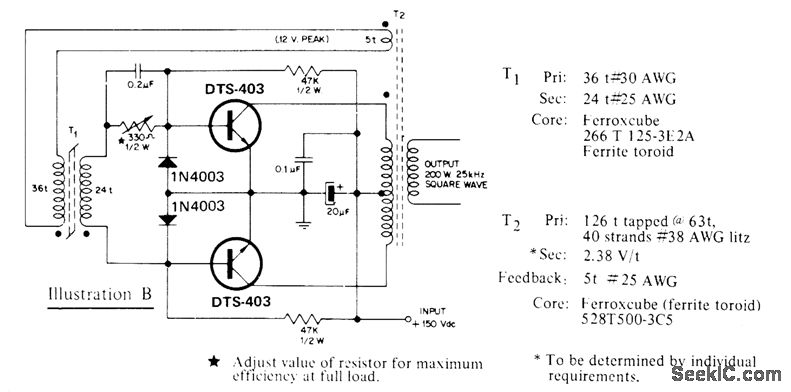
Two Deleo DTS-403 highvoltage silicon transistors are connected as push-pull oscillator operating on 150-VDC bias.Efficiency is 78% at full load. Diodes serve alternately as steering and clamp diodes.- 25 kHz High Efficiency 200 Watt Inverter, Deleo, Kokomo, IN, 1971, Application Note 47.
Reprinted Url Of This Article:
http://www.seekic.com/circuit_diagram/Basic_Circuit/200_W_AT_25_kHz.html
Print this Page | Comments | Reading(3)
Code: