Published:2009/7/11 5:00:00 Author:May | From:SeekIC

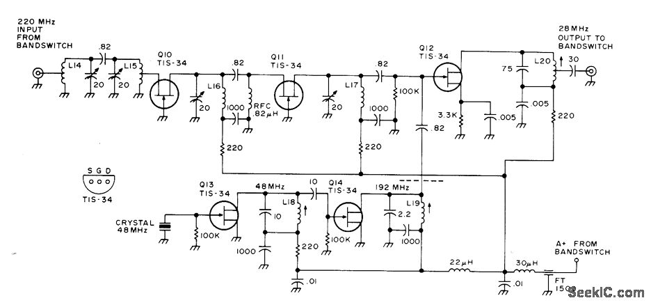
Contains bandpass filter, grounded-grid RF amplifier stages Q10-Q11, mixer Q12, and crystal oscillator Q13-Q14. Developed for use in all-band double-conversion superheterodyne receiver for AM narrow-band FM, CW, and SSB operation. Supply is 13.6 V regulated. Article gives all circuits of receiver. -D. M. Eisenberg, Build This All-Band VHF Receiver, 73 Magazine, Jan. 1975, p 105-112.
Reprinted Url Of This Article:
http://www.seekic.com/circuit_diagram/Basic_Circuit/220_MHz_TO_28_MHz.html
Print this Page | Comments | Reading(3)
Code: