Published:2009/7/14 5:06:00 Author:May | From:SeekIC

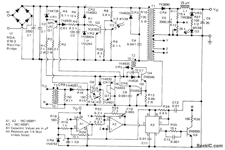
Switching regulator design meets requirements for cable television systems where small size, low weight, and high efficiency are prime considerations. Circuit operates above 18 kHz either from 40-60 V 60-Hz square-wave source (CATV power line from ferroresonant transformer) or from DC standby source. Control circuit consists of dual apamp and linear IC timer used to vary ON time of 2N6546 power transistor. At start-up, Q4 is saturated and full input voltage is applied to primary of power transformer T1. Current then ramps up linearly until 04 is switched off by opamps Al and A2 and timer A3. Power transistor is operated between saturation and OFF state at above 18 kHz, with ON time varied while OFF time is fixed, to maintain constant output voltage as sensed by Al.-J. Nappe and N. Wellenstein, An 80-Watt Switching Regulator for CATV and Industrial Applications, Motorola, Phoenix, AZ, 1975, AN-752, p 5.
Reprinted Url Of This Article:
http://www.seekic.com/circuit_diagram/Basic_Circuit/24_V_AT_3_A_FOR_CATV.html
Print this Page | Comments | Reading(3)
Code: