Published:2009/7/6 2:32:00 Author:May | From:SeekIC

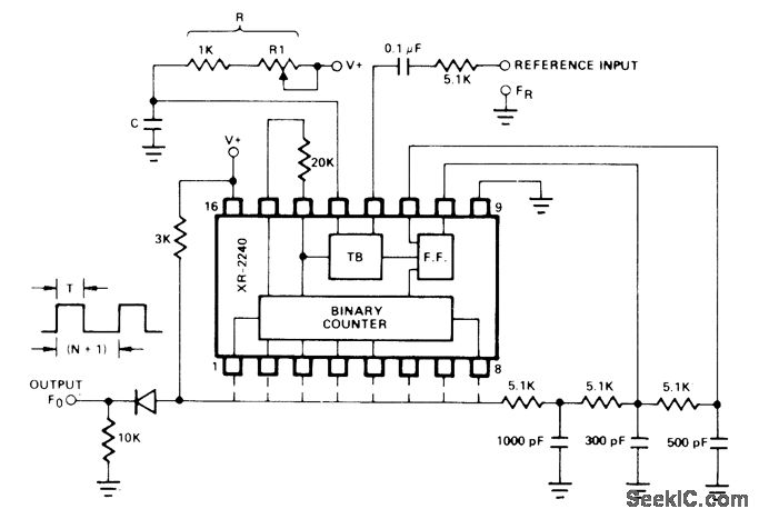
EXAR XR-2240 programmable timer/ counter containing 8-bit programmable binary counter and stable time-base oscillator can generate over 2500 discrete frequencies from single input reference frequency. Circuit simultaneously multiplies input frequency by factor M and divides by N + 1, where M and N are adjustable integer values. Output frequency Fo is equal to input frequency FR multiplied by M/(1 + N). M and N can be externally adjusted over broad range, with M between 1 and 10 and N between 1 and 255. Multiplication factor M is obtained by locking on harmonics of reference.Division factor N is determined by preprogrammed count in binary counter section, established by wiring appropriate pins 1-8 to output bus. Input reference is 3 V P-P pulse train with pulse duration ranging from 30% to 80% of time-base period T. R1 determines value of M. C is in range of 0.005 to 0.1 μF, and R is between 1K and1 megohm for maximum output frequency of about 200 kHz. With M = 5 and N = 2, 100-Hz clock synchronized to 60-Hz line frequency is obtained.- Timer Data Book, Exar Integrated Systems, Sunnyvale, GA, 1978, p 31-32.
Reprinted Url Of This Article:
http://www.seekic.com/circuit_diagram/Basic_Circuit/2500_FREQUENCIES_WITH_SYNCHRONIZA_TION.html
Print this Page | Comments | Reading(3)
Code: