Published:2009/7/15 3:18:00 Author:Jessie | From:SeekIC

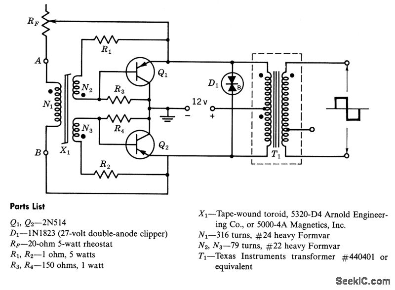
Provides square-wave output to load from 12-v d-c supply, at 130 v, with efficiency of 85%.-Texas Instruments Inc, Transistor Circuit Design, McGraw-Hill, N,Y,J1963,p 458.
Reprinted Url Of This Article:
http://www.seekic.com/circuit_diagram/Basic_Circuit/250_W__60_CPSUAL_TRANSFORMER_IN_VERTER.html
Print this Page | Comments | Reading(3)
Code: