Published:2009/7/13 23:35:00 Author:May | From:SeekIC

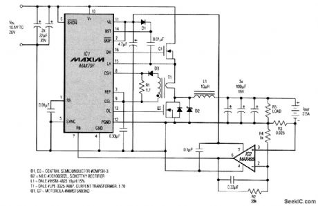
Battery chargers are usually designed without regard for efficiency, but the heat generated by low-efficiency chargers can present a problem. For those applications, the charger shown in the figure delivers 2.5 A with efficiency as high as 96 percent. It can charge a battery of one to six cells while operating from a car battery. IC1 is a buck-mode switching regulator that controls the external power switch, Q1, and the synchronous rectifier. IC1 includes a charge pump for generating the positive gate-drive voltage required by Q1. The battery-charging current develops a voltage across the 25-MΩ resistor (R3) that is amplified by the op amp and presented as positive-voltage feedback to IC1. This feedback enables the chip to maintain the charging current at 2.5 A. While charging, the circuit can also supply current to a separate load, up to a limit set by current-sense transformer T1 and sense resistor R1. T1 improves efficiency by lowering power dissipation in R1. The transformer turns ratio (1:70) routes only 1/70 of the total battery-plus-load current through R1, creating a feed-back voltage that enables IC1 to limit the overall current to a level compatible with the external components.
Reprinted Url Of This Article:
http://www.seekic.com/circuit_diagram/Basic_Circuit/25_A_BATTERY_CHARGER.html
Print this Page | Comments | Reading(3)
Code: