Published:2009/7/13 20:35:00 Author:May | From:SeekIC

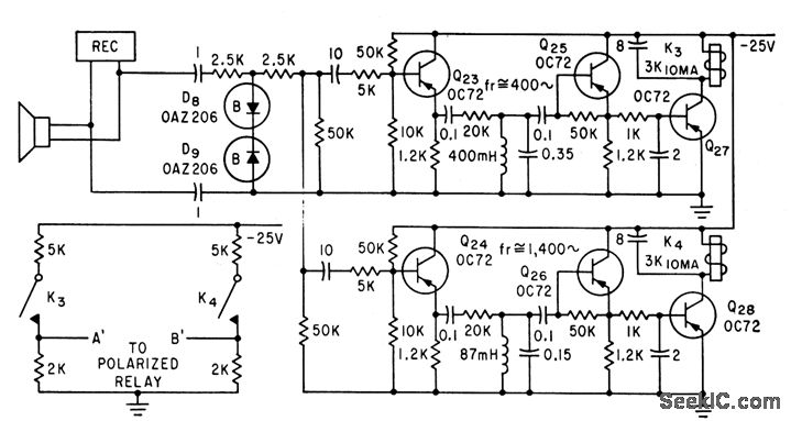
Two selective amplifiers, one tuned to 400 cps and other to 1,400 cps, drive relays K3 and K4 to control printing register for recording remote events such as passage of birds through infrared curtain.-P. A. love and J. Czekajewski, Infrared Curtain System Detects and Counts Moving Objects, Electron-ics, 34:31, p40-43.
Reprinted Url Of This Article:
http://www.seekic.com/circuit_diagram/Basic_Circuit/27_MC_RECEIVER_FOR_TONE_MODULATED_DATA.html
Print this Page | Comments | Reading(3)
Code: