Published:2009/7/6 0:55:00 Author:May | From:SeekIC

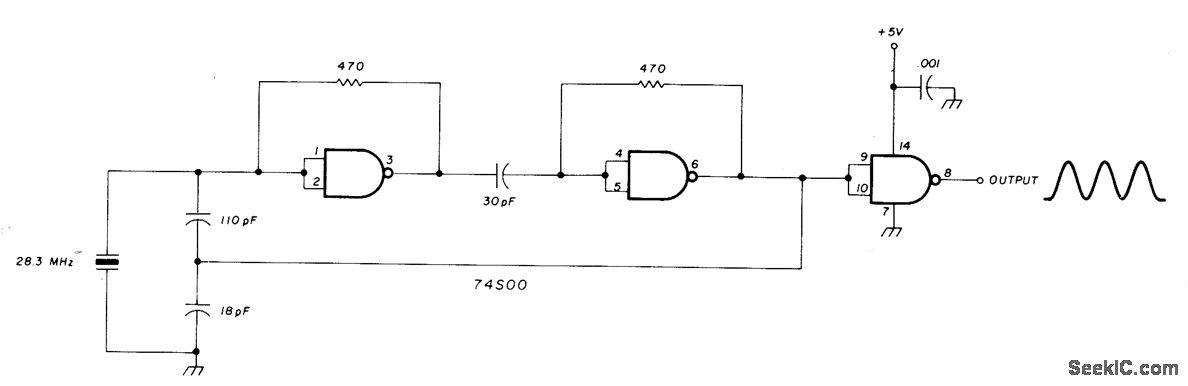
Third-over-tone crystal oscillator uses 74S00 Schottky TTL quad NAND gates acting as oscillator and output buffer to increase output amplitude. Output swing is from about 0.4 to 3.5 V P-P, as required for TTL. No inductors are required.-C. Hall, Overtone Crystal Oscillators Without Inductors, Ham Radio, April 1978, p 50-51.
Reprinted Url Of This Article:
http://www.seekic.com/circuit_diagram/Basic_Circuit/283_MHz_THIRD_OVERTONE_TTL.html
Print this Page | Comments | Reading(3)
Code: