Published:2009/7/11 5:18:00 Author:May | From:SeekIC

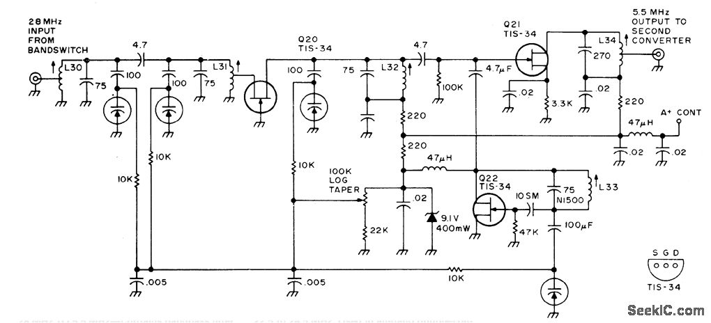
Contains bandpass filter, grounded-grid RF stage Q20, mixer Q21, and oscillator Q22, with all tuning accomplished by variable-capacitance diodes. Oscillator covers 22.5 to 24.5 MHz. Used in all-band double-con-version superheterodyne receiver for AM, nar-row-band FM, CW, and SSB operation. Supply is 13.6 V regulated. Article gives all circuits of receiver. -D.M Eisenberg, Build This All-Band VHF Receiver, 73 Magazine, Jan 1975, p 105-112
Reprinted Url Of This Article:
http://www.seekic.com/circuit_diagram/Basic_Circuit/28_MHz_TO_55_MHz.html
Print this Page | Comments | Reading(3)
Code: