Published:2009/7/7 5:34:00 Author:May | From:SeekIC

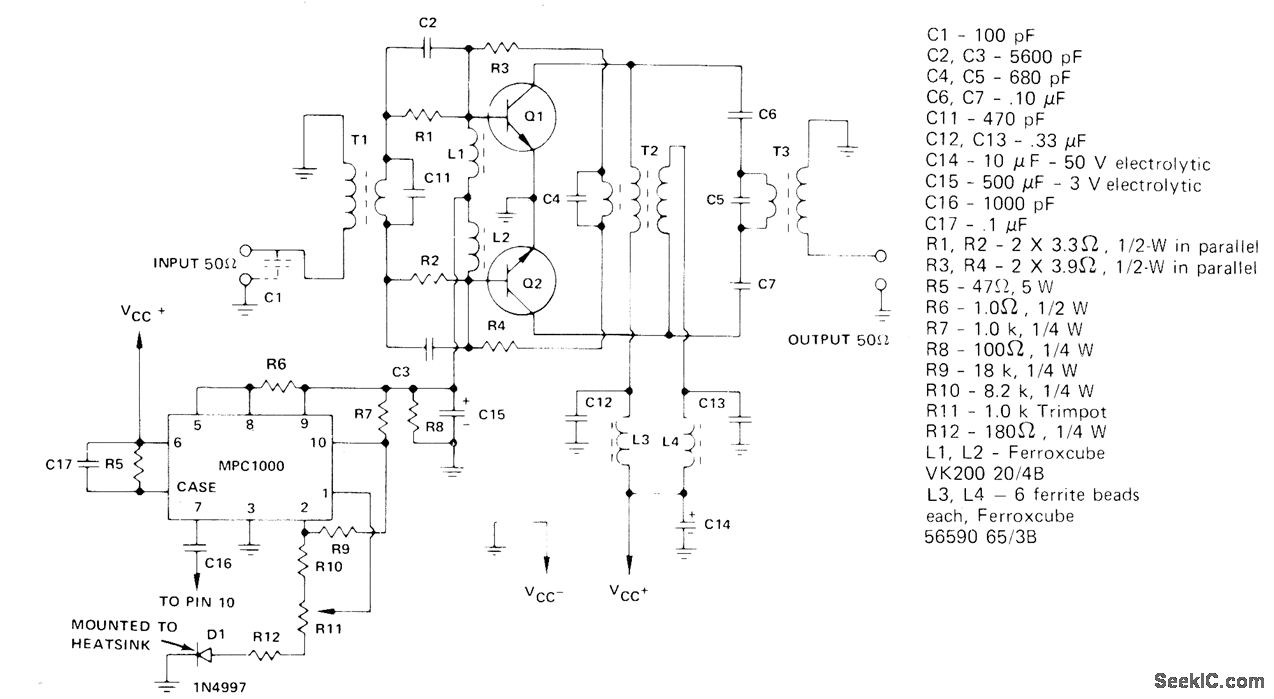
Motorola MRF422 high-power transistors connected in push-pull provide 300 W of PEP or CW output power across band. Uses MPC1000 regulator rated for 10 A and dissipation of 100 W with proper heatsink. Since average base current of transistors is less than 500 mA, however, regulator can be used without heatsink. T1 and T3 have 9:1 impedance ratio, obtained with 1/8-inch copper-braid secondary through which 3 turns of No.22 are wound for primary on Stackpole dual balun ferrite core 57-1845-24B. T2 has 5 turns of two twisted pairs No. 22 enamel wound on Stackpole 57-9322 toroid.-H. Granberg, Get 300 Watts PEP Linear Across 2 to 30 MHz from This Push-Pull Amplifier, Motorola, Phoenix, AZ. 1978, EB-27.
Reprinted Url Of This Article:
http://www.seekic.com/circuit_diagram/Basic_Circuit/2_3O_MHz_3OO_W_LlNEAR.html
Print this Page | Comments | Reading(3)
Code: