Published:2009/7/13 4:32:00 Author:May | From:SeekIC

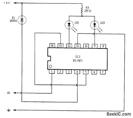
Sections of RS7473 dual flip-flop are connected to form simple counter that counts to three in binary with LEDs, By adding more flip-flop stages, count can be extended to higher values. If OFF LED represents 0 and ON LED is 1, combinations 00, 01, 10, and 11 rep-resent 0, 1, 2, and 3, respectively. Input is restricted to low audio frequency so LED changes can be readily observed during demonstrations. -F. M. Mims, Integrated Circuit Projects, Vol, 6, Radio Shack, Fort Worth, TX, 1977, p23-32.
Reprinted Url Of This Article:
http://www.seekic.com/circuit_diagram/Basic_Circuit/2_BIT_BINARY.html
Print this Page | Comments | Reading(3)
Code: