Published:2009/7/14 2:19:00 Author:May | From:SeekIC

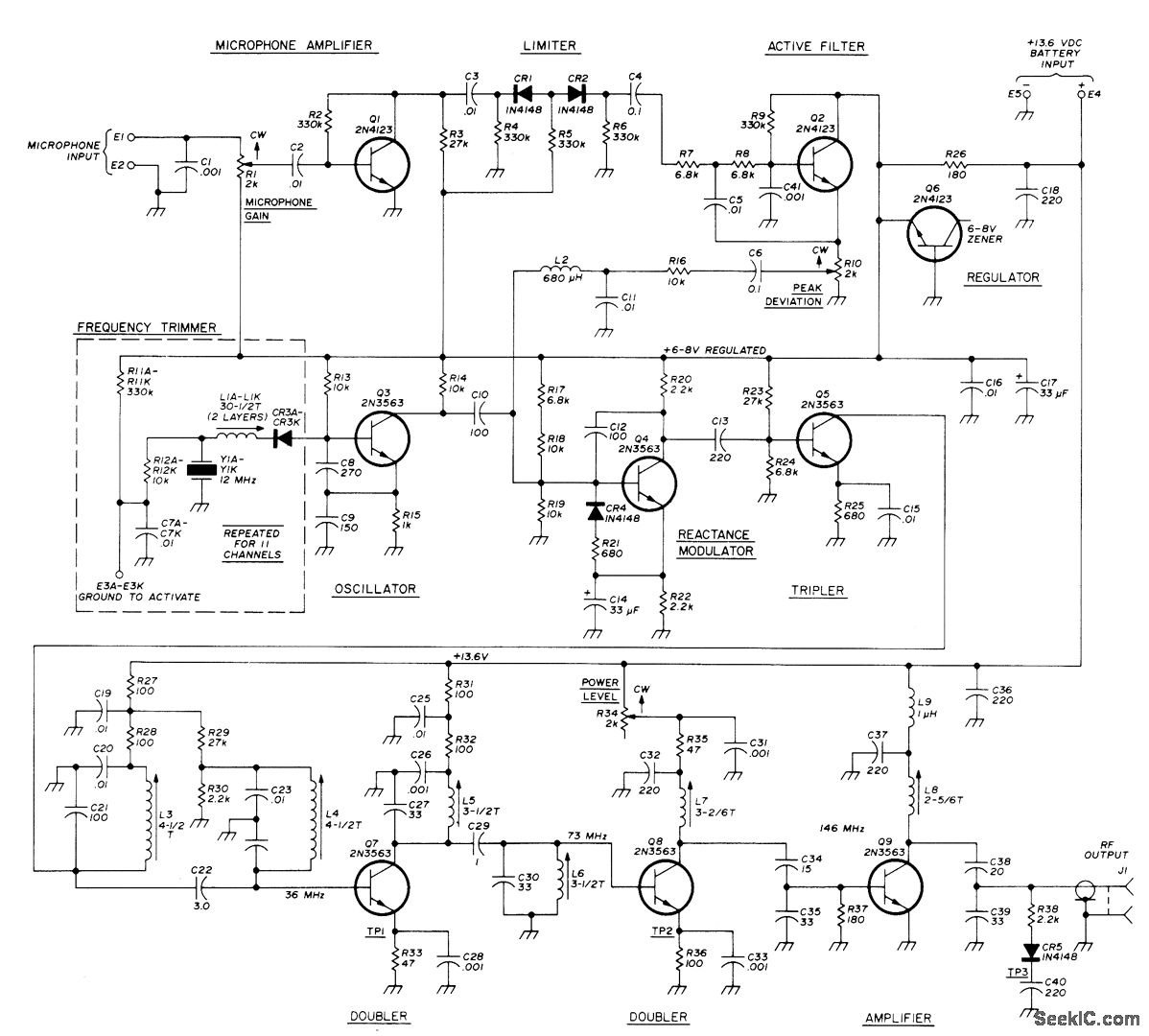
Includes both deviation and microphone gain controls. Low-pass filter following limiter eliminates raspy voice signal. Input takes either carbon or transistor-amplified dynamic microphones. Phase modulation used is suitable for multichannel operation and frequency synthesizers. Oscillator uses 12-MHz series-resonant crystals. Voltage regulator for oscillator, modulator, and audio stages minimizes effects of line-voltage variation and noise. Output power of 150-200 mW is enough to drive new TRW and Motorola RF power modules. Article gives construction and alignment details.-J. Vogt, High-Performance Two-Meter FM Exciter, Ham Radio, Aug. 1976, p 10-15.
Reprinted Url Of This Article:
http://www.seekic.com/circuit_diagram/Basic_Circuit/2_METER_FM_EXCITER.html
Print this Page | Comments | Reading(3)
Code: