Published:2009/7/7 3:59:00 Author:May | From:SeekIC

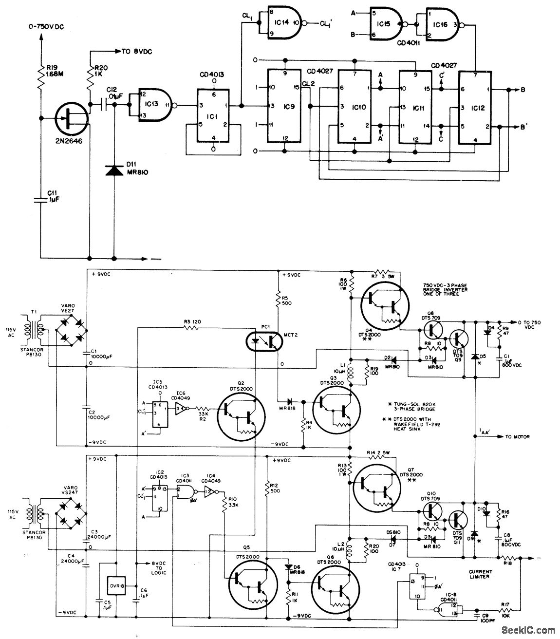
Speed is controlled by applying continuously variable DC voltage to VCO of control circuit for 750-VDC 7-A bridge inverter driving three sets of six Delco DTS-709 duolithic Darlingtons. Bridge inverter circuit for other two phases is identical to that shown for phase AA. VCO output is converted to three-phase frequency varying from 5 Hz at 50 VDC to 60 Hz at 600 VDC for driving output Darlingtons. Optoisolators are used for base drive of three switching elements connected to high-voltage side of inverter.- A 7A, 750 VDC Inverter for a 2 hp, 3 Phase, 480 VAC Induction Motor, Delco, Kokomo, IN, 1977, Application Note 60.
Reprinted Url Of This Article:
http://www.seekic.com/circuit_diagram/Basic_Circuit/2_hp_THREE_PHASEINDUCTION.html
Print this Page | Comments | Reading(3)
Code: