Published:2009/7/15 0:30:00 Author:Jessie | From:SeekIC

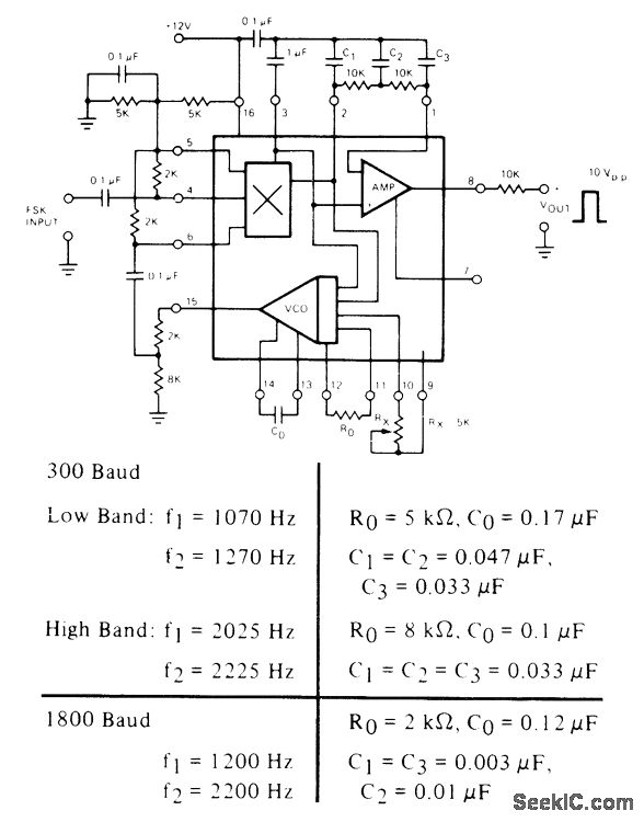
Uses Exar XR-215 PLL IC having frequency range of 0.5 Hz to 35 MHz. When input frequency is shifted by data bit, DC voltage between pins 2 and 3 reverses polarity. Opamp section is connected as comparator for converting DC level shift to binary output pulse. C1 serves as PLL filter. C2 and C3 are postdetection filters. Table gives typical values of components for two transmission speeds.- Phase-Locked Loop Data Book, Exar Integrated Systems, Sunnyvale, CA. 1978. p 21-28.
Reprinted Url Of This Article:
http://www.seekic.com/circuit_diagram/Basic_Circuit/300_AND_1800_BAUD_FSK_DEMODULATOR.html
Print this Page | Comments | Reading(3)
Code: