Published:2012/12/11 0:53:00 Author:Ecco | Keyword: 30A , dual channel | From:SeekIC

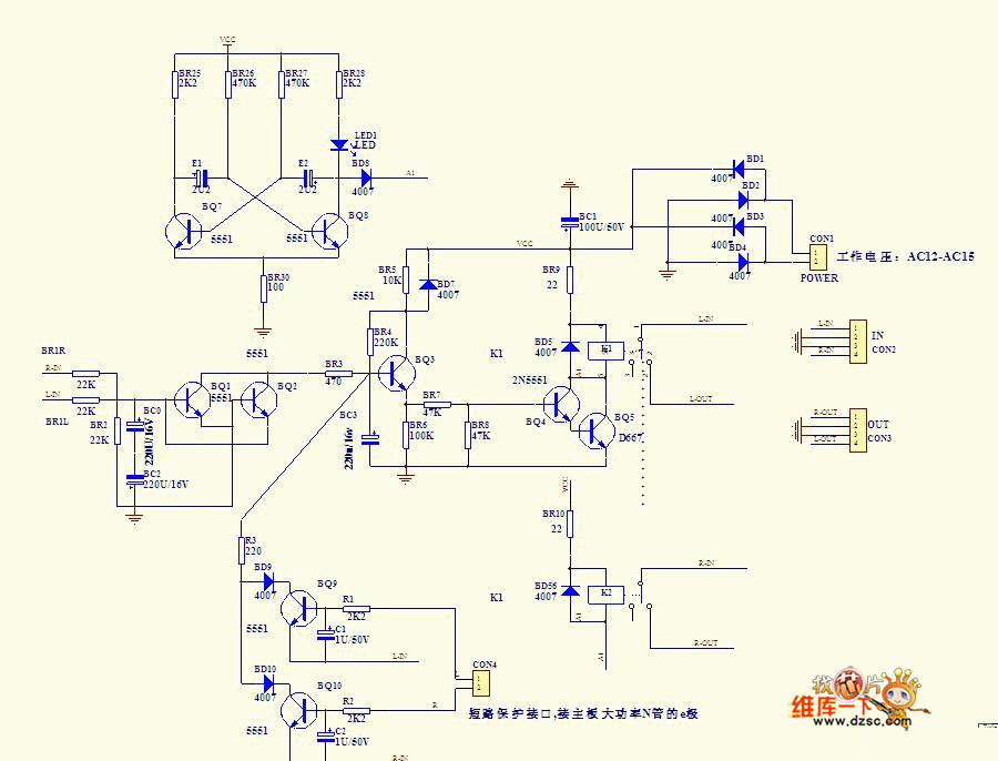
30A dual channel schematic diagram is shown as the figure.
Reprinted Url Of This Article:
http://www.seekic.com/circuit_diagram/Basic_Circuit/30A_dual_channel_schematic_diagram.html
Print this Page | Comments | Reading(3)
Code: