Published:2012/10/18 22:56:00 Author:muriel | Keyword: 32.768 KHz , oscillator, watch crystal | From:SeekIC

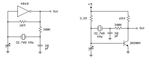
Below are a couple circuits you can use to produce a 32.768 KHz square wave from a common watch crystal. The output can be fed to a 15 stage binary counter to obtain a 1 second square wave. The circuit on the left using the 4069 inverter is recommended over the transistor circuit and produces a better waveform. The single transistor circuit produces more of a ramping waveform but the output swings the full supply voltage range so it will easily drive the input to a CMOS binary counter.
Reprinted Url Of This Article:
http://www.seekic.com/circuit_diagram/Basic_Circuit/32768_KHz_oscillator_using_a_watch_crystal.html
Print this Page | Comments | Reading(3)
Code: