Published:2009/7/1 21:17:00 Author:May | From:SeekIC

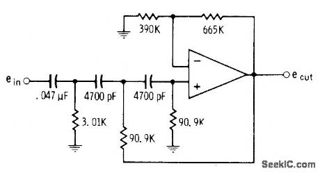
Developed to make third harmonic of 130.81 Hz (C3 note) minimum of 30 dB stronger than fundamental, to give sawtooth output for use in electronic music system. Design uses third-order filter with 3-dB dips in response. Opamp can be 741.-D. Lancaster, Active-Filter Cookbook, Howard W. Sams, Indianapolis, IN. 1975. p 192.
Reprinted Url Of This Article:
http://www.seekic.com/circuit_diagram/Basic_Circuit/327_Hz_HIGH_PASS.html
Print this Page | Comments | Reading(3)
Code: