Published:2009/6/23 22:19:00 Author:Jessie | From:SeekIC

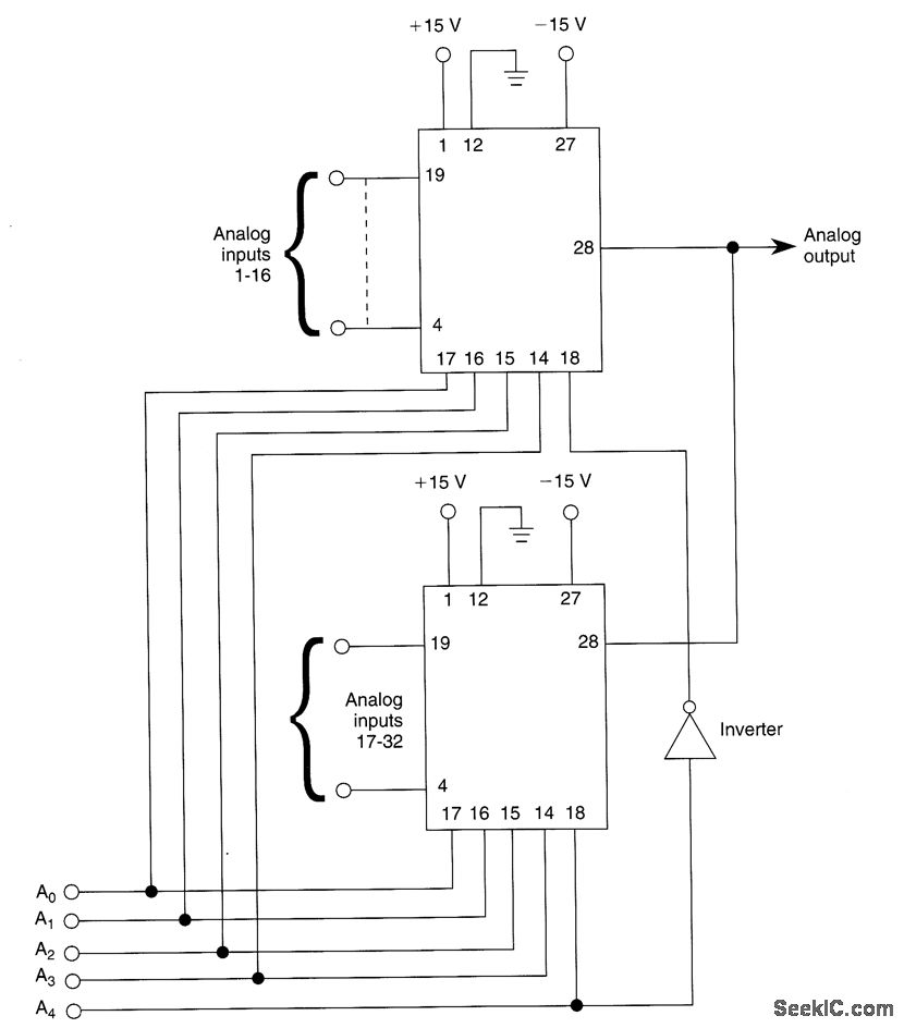
Using two Siliconix DG506 multiplexer chips, this 32-channel analog multiplexer selects 1 of 32 channels, depending on the data inputs A0 - A4.
Reprinted Url Of This Article:
http://www.seekic.com/circuit_diagram/Basic_Circuit/32_CHANNEL_ANALOG_MULTIPLEXER.html
Print this Page | Comments | Reading(3)
Code: