Published:2009/7/16 5:27:00 Author:Jessie | From:SeekIC

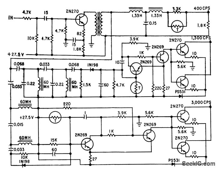
Separates the three marker beacon modulating frequencies and converts them to voltages for operating three color-coded lights in air-craft. When added to one-light receiver, adapter requires only two more electronic switches, in addition to loss amplifier and filters.-R. G. Erdmann, Transistor Dual Conversion for Marker-Beacon Receivers, Electronics, 32:19, p 59-61.
Reprinted Url Of This Article:
http://www.seekic.com/circuit_diagram/Basic_Circuit/3_LIGHT_MARKER_BEACON_ADAPTER.html
Print this Page | Comments | Reading(3)
Code: