Published:2009/7/6 3:19:00 Author:May | From:SeekIC

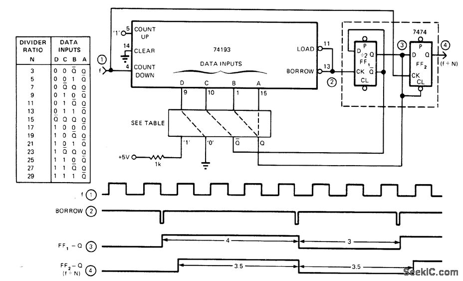
Basic dlvider using 74193 4-bit up/down counter and single 7474 dual D flip-flop provides any odd number of dlvider ratios from 3 to 29 by changing feedback connections as shown in table, all with symmetrical output waveforms. Based on writing any odd number N as N = M + (M + 1), where M is integer. Circuit forces counter to divide altemately by M and M + 1. Connection shown is for divide-by-7.-V. R. Godbole, Simplify Design of Fixed Odd-Modulo Dividers, EDN Magazine, June 5, 1975, p 77-78.
Reprinted Url Of This Article:
http://www.seekic.com/circuit_diagram/Basic_Circuit/3_TO_29_ODD_MODULO.html
Print this Page | Comments | Reading(3)
Code: