About SeekIC | Services | Payment | Advertisements service | Contact Us | Links
© 2008-2012 SeekIC.com Corp.All Rights Reserved.
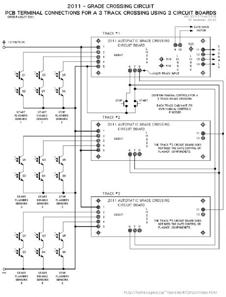
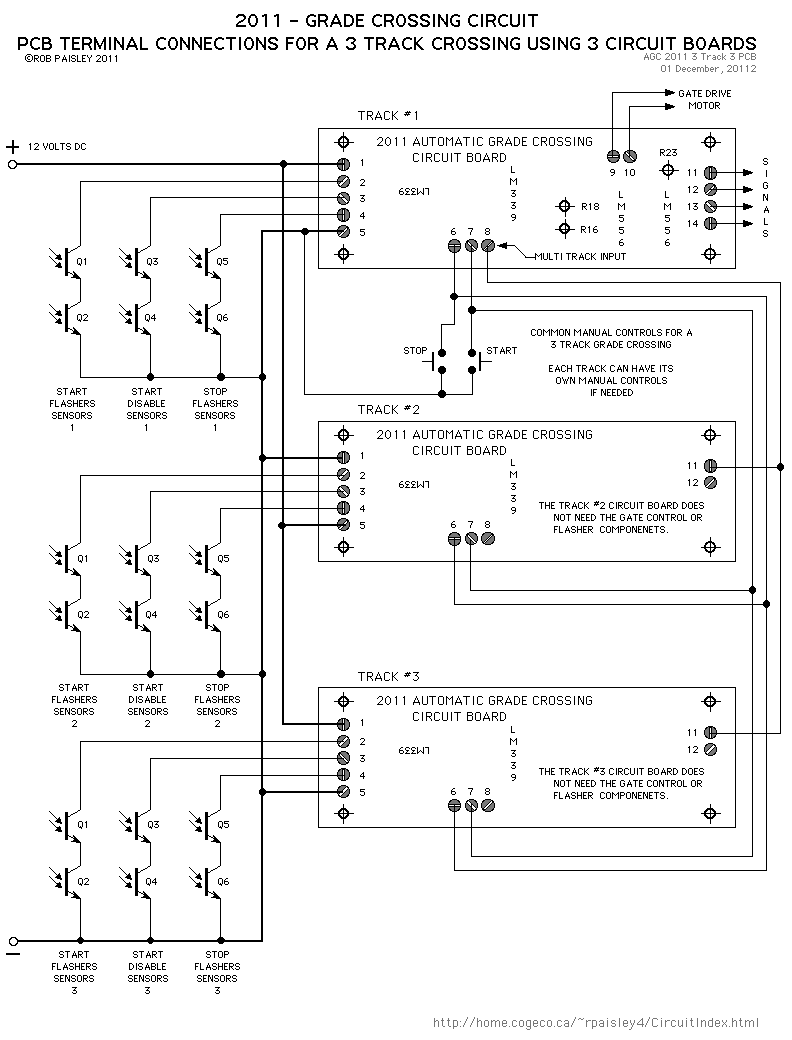
Published:2013/5/28 22:00:00 Author:muriel | Keyword: 3 Track Crossing , 3 Circuit Boards | From:SeekIC

Reprinted Url Of This Article:
http://www.seekic.com/circuit_diagram/Basic_Circuit/3_Track_Crossing_Using_3_Circuit_Boards.html
Print this Page | Comments | Reading(3)
Response in 12 hours
© 2008-2012 SeekIC.com Corp.All Rights Reserved.
Code: