Published:2009/7/15 2:28:00 Author:Jessie | From:SeekIC

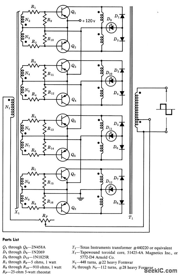
Input voltage is divided equally among four series primaries so each transistor is subjected only to 60 v when off. Output is 140-v square wave. Efficiency is 95% at full load. Use of dual-transformer configuration makes frequency of oscillation easy lo adjust by changing setting of RF, to give exactly 60 cps for any value of load cur rent.-Texas Instruments Inc., Transistor Circuit Design, McGraw-Hill, N.Y., 1963, p 459.
Reprinted Url Of This Article:
http://www.seekic.com/circuit_diagram/Basic_Circuit/400_W_60_CPS_DUAL_TRANSFORMER_IN_VERTER.html
Print this Page | Comments | Reading(3)
Code: