Published:2009/7/11 2:07:00 Author:May | From:SeekIC

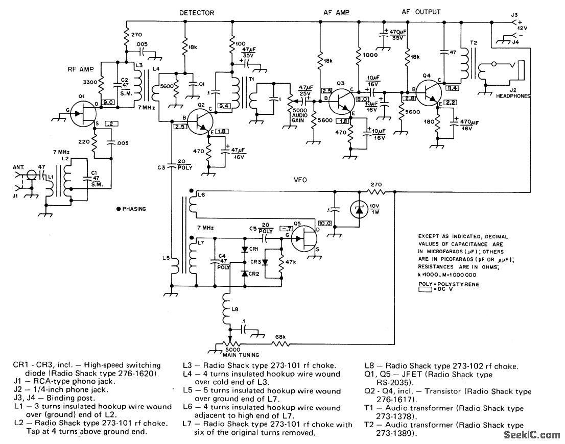
Simple, foolproof circuit design uses discrete components mounted on printed-circuit board shaped to fit in oval herring can. Single 7-MHz RF stage and voltage-tuned VFO feed produgt detector Q2 that drives 2-stage AF amplifier having peak response at about 650 Hz for most comfortable CW listening. VFO uses Armstrong or tickler-feedback circuit, with CR1 and CR2 connected as voltage-variable-capacitance diodes. Zener regulator powers VFO circuit for good frequency stability Receiver will tune any 100-kHz segment of 40-meter band.-J Rusgrove,The Herring-Aid Five,QST,July 1976,p 20-23.
Reprinted Url Of This Article:
http://www.seekic.com/circuit_diagram/Basic_Circuit/40_METER_DIRECT_CONVERSION.html
Print this Page | Comments | Reading(3)
Code: