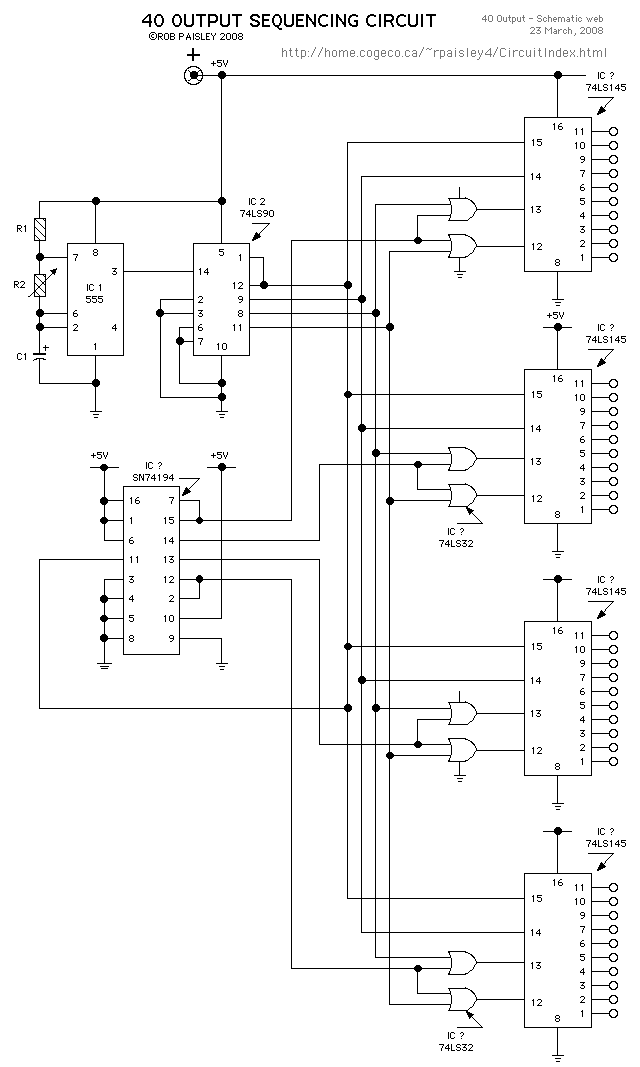
Published:2013/5/22 22:35:00 Author:muriel | Keyword: 40 Step Circuit | From:SeekIC

Reprinted Url Of This Article:
http://www.seekic.com/circuit_diagram/Basic_Circuit/40_Step_Circuit.html
Print this Page | Comments | Reading(3)
Code: