Published:2009/7/13 3:46:00 Author:May | From:SeekIC

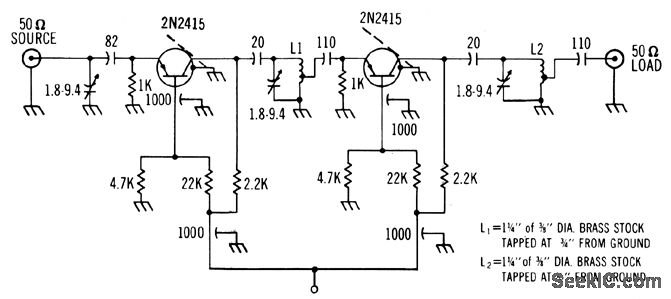
Common-base configuration gives slightlymore power gain at this frequency that common-emitter circuit,Power gain is 20 db,noise figure 4.5 db, and bandwidth 10 Mc,-Texas instruments Inc., sond-State Communications,McGraw-Hill, N,Y., 1966, P 298.
Reprinted Url Of This Article:
http://www.seekic.com/circuit_diagram/Basic_Circuit/450_MC_R_F_FOR_AERONAUTICAL_BAND.html
Print this Page | Comments | Reading(3)
Code: