Published:2009/7/2 0:23:00 Author:May | From:SeekIC

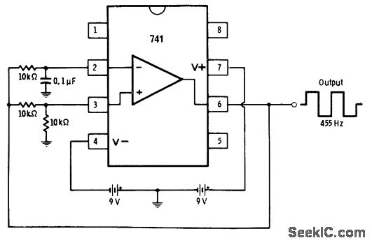
Frequency of square-wave output depends on values used for external capacitor and resistors. Very low frequencies can be obtained by using large values for both. High-frequency performance is limited by slew rate of opamp.-R. Melen and H. Garland, Understanding IC Operational Amplifiers, Howard W. Sams, Indianapolis, IN, 2nd Ed., 1978, p 119-120.
Reprinted Url Of This Article:
http://www.seekic.com/circuit_diagram/Basic_Circuit/455_Hz_ASTABLE.html
Print this Page | Comments | Reading(3)
Code: