Published:2009/7/7 23:32:00 Author:May | From:SeekIC

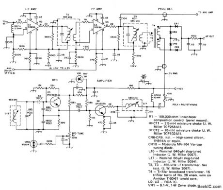
Used in 1.8-2 MHz communication receiver having wide dynamic range. Input comes from diode-switched bandpass filter giving choice of 400-Hz or 2.1-kHz bandwidths. Output for AGC amplifier is taken from primary of T3.AGO voltage, ranging from +2 V for minimum gain to +9 V for maximum gain, is applied to pins 7 of both IF opamps. Product detector uses quad 1N914A diodes. Varicap CR10 and R1 vary BF0 output from 453 to 457 kHz. Two-part artide gives all other circuits of receiver.-D.DeMaw, His Eminence-the Receiver, QST, Part 2-July 1976, p 14-17 (Part 1-June 1976, p 27-30).
Reprinted Url Of This Article:
http://www.seekic.com/circuit_diagram/Basic_Circuit/455_kHz_WITH_PRODUCT_DETECTOR_AND_BFO.html
Print this Page | Comments | Reading(3)
Code: