Published:2009/7/24 13:54:00 Author:Jessie | From:SeekIC

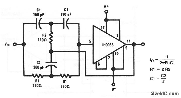
This circuit shows an LH0033 buffer connected to form a notch filter. The frequency range is determined by the values of R1 and C1, as shown by the equation. National Semiconductor, Linear Applications Handbook, 1991, p. 161.
Reprinted Url Of This Article:
http://www.seekic.com/circuit_diagram/Basic_Circuit/45_MHz_notch_filter.html
Print this Page | Comments | Reading(3)
Code: