Published:2009/6/29 3:08:00 Author:May | From:SeekIC

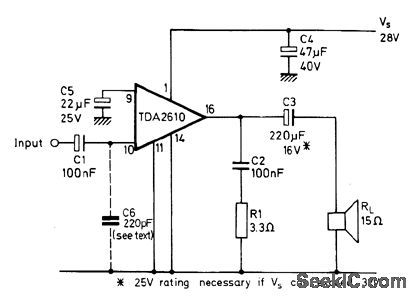
Mullard TDA2610 drives 15-ohm loudspeaker with total harmonic distor-tion of lessthan 1%. Supply is 28V ±10%. Net-work C2-R1 ensures stability with inductive Ioad.- Audio Power Amplifier TDA2610, Mullard, London, 1976, Technical Note 35, TP1541.
Reprinted Url Of This Article:
http://www.seekic.com/circuit_diagram/Basic_Circuit/45_W_CLASS_B.html
Print this Page | Comments | Reading(3)
Code: