Published:2009/7/8 23:47:00 Author:May | From:SeekIC

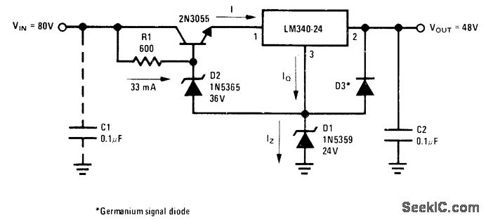
Level-shifting transistorzener combination R1-D2 is used with zener D1 to keap voltage across LM340-24 regulator below maximum ratedvalue Addition of zenershas drawback of inoreasing output noise to about 2 mV P-P. Load regulation is 60 mV for pulsed load change from 5 mA to 1 A. Line reg-ulation is 0.01%/V of input voltage change for 500-mA load.- Linear Applications, Vol. 2, National Semiconductor, Santa Clara, CA, 1976, AN-103, p 10-11.
Reprinted Url Of This Article:
http://www.seekic.com/circuit_diagram/Basic_Circuit/48_V_FROM_80_V.html
Print this Page | Comments | Reading(3)
Code: