Published:2009/7/9 21:55:00 Author:May | From:SeekIC

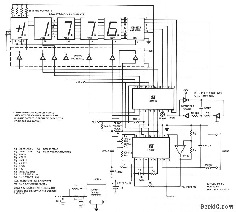
. 1-μV resolution.. Overrange blinking. 0-19.999 mV input voltages. Zero adjust-to-null offset introduced by PC board leakage and the comparator.
Reprinted Url Of This Article:
http://www.seekic.com/circuit_diagram/Basic_Circuit/4_1_2_DIGIT_DVM.html
Print this Page | Comments | Reading(3)
Code: