Published:2009/7/10 5:51:00 Author:May | From:SeekIC

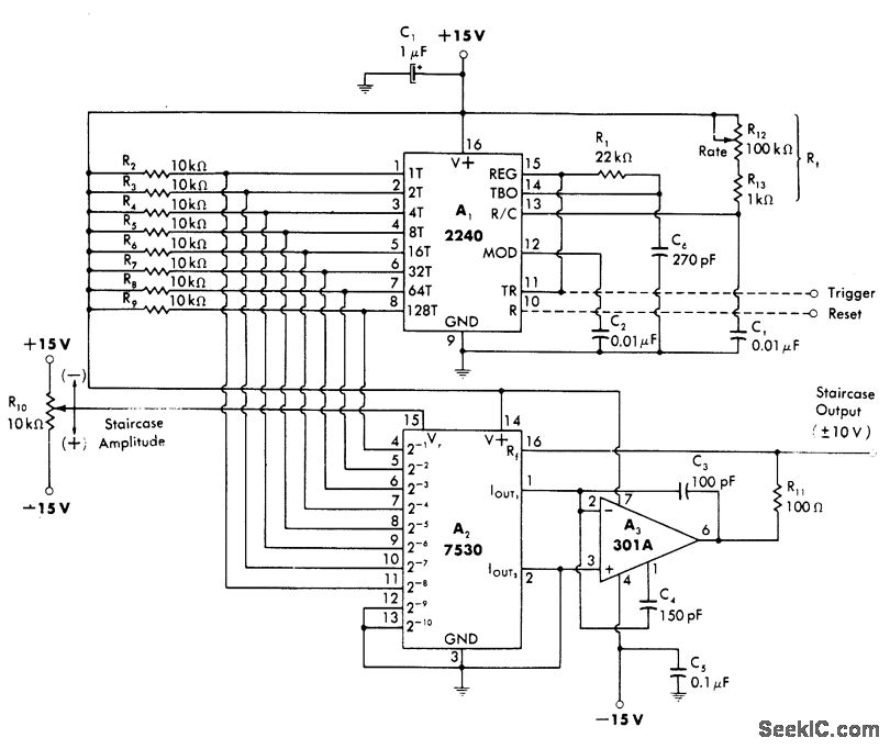
Single 2240 serves as time-base generator with Rt determining frequency in range of 4-400 Hz. Digital output is converted to analog form by 7530 10-bit CMOS multiplying D/A converter. Reference voltage can be varied up to ±10 V to give variable-amplitude bipolar staircase output in same amplitude range, with 255 staircase steps corresponding to 8-bit count of 2240. Opamp A3 serves as current-to-voltage convener for changing ±1 mA output current of 7530 to ±10 V swing for staircase.-W. G. Jung, IC Timer, Cookbook, Howard W. Sams, Indianapolis, IN, 1977, p 224-226.
Reprinted Url Of This Article:
http://www.seekic.com/circuit_diagram/Basic_Circuit/4_400_Hz_BIPOLAR.html
Print this Page | Comments | Reading(3)
Code: