Published:2009/7/15 22:44:00 Author:Jessie | From:SeekIC

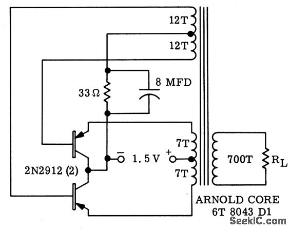
Portable supply operates at 80% efficiency through use of rapid-switching transistors.-H. F. Weber, Low Voltage Inverter Features High Frequency Operation with High Efficiency, Motorola Application Note AN.174, Feb. 1966.
Reprinted Url Of This Article:
http://www.seekic.com/circuit_diagram/Basic_Circuit/4_W_AT_150_V_FROM_FLASHLIGHT_CELL.html
Print this Page | Comments | Reading(3)
Code: