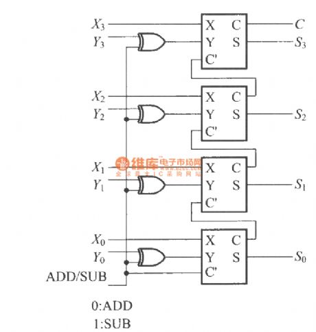
Published:2011/12/2 2:06:00 Author:Ecco | Keyword: 4-bit, addition, subtraction, operation | From:SeekIC

Reprinted Url Of This Article:
http://www.seekic.com/circuit_diagram/Basic_Circuit/4_bit_addition_subtraction_operation_circuit.html
Print this Page | Comments | Reading(3)
Code: