Published:2009/7/6 2:25:00 Author:May | From:SeekIC

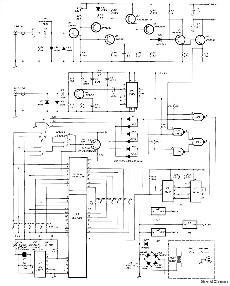
Circuit provides separate 0-50 MHz preamp Q1-Q7 and 50-500 MHz prescaler for Intersil IC M7207A 7-digit CMOS frequency counter. 500-MHz prescaler uses Fairchild 11C90 that drives TTL directly, with 2N5179 transistor as preamp. L1 and output capacitance of 2N5179 form low-Q resonant circuit. U3 is 50-MHz presealer for both preamps. Crystal frequency is 5.242880 MHz. 5-V regulators are MC7805, and 12-V regulator is MC7812. Article covers construction and adjustment.-J. H. Bordelon, Simple Front-Ends for a 500-MHz Frequency Counter, Ham Radio, Feb. 1978, p 30-33.
Reprinted Url Of This Article:
http://www.seekic.com/circuit_diagram/Basic_Circuit/500_MHz_WITH_100_Hz_RESOLUTION.html
Print this Page | Comments | Reading(3)
Code: