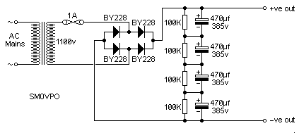
Published:2013/7/15 0:57:00 Author:muriel | Keyword: 500 WATT PA | From:SeekIC

Reprinted Url Of This Article:
http://www.seekic.com/circuit_diagram/Basic_Circuit/500_WATT_PA_2.html
Print this Page | Comments | Reading(3)
Code: