Published:2009/7/10 1:58:00 Author:May | From:SeekIC

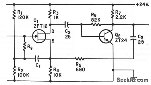
Feedback from Q2 to let Q1 boosts input impedance.-B.Down, Using Feedback in FET Circuit to Reduce Input Capacitance, Electronics,p 63-65.
Reprinted Url Of This Article:
http://www.seekic.com/circuit_diagram/Basic_Circuit/50_MEG_INPUT_IMPEDANCE.html
Print this Page | Comments | Reading(3)
Code: