Published:2009/7/11 4:57:00 Author:May | From:SeekIC

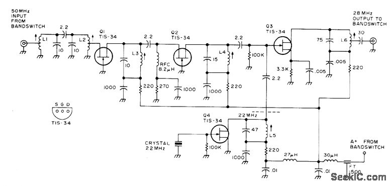
Contains bandpass filter, two grounded-grid RF amplifier stages Q1-Q2, mixer Q3, and crystal oscillator Q4. Developed for use in all-band double-conversion superheterodyne receiver for AM narrow-band FM, CW, and SSB operation. Supply is 13.6 V regulated, Article gives all circuits of receiver, -D. M. Eisenberg,Build This All-Band VHF ReceiVer,73 Magazine,Jan,1975,p 105-112.
Reprinted Url Of This Article:
http://www.seekic.com/circuit_diagram/Basic_Circuit/50_MHz_TO_28_MHz.html
Print this Page | Comments | Reading(3)
Code: