© 2008-2012 SeekIC.com Corp.All Rights Reserved.
Published:2009/7/3 5:20:00 Author:May | From:SeekIC

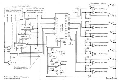
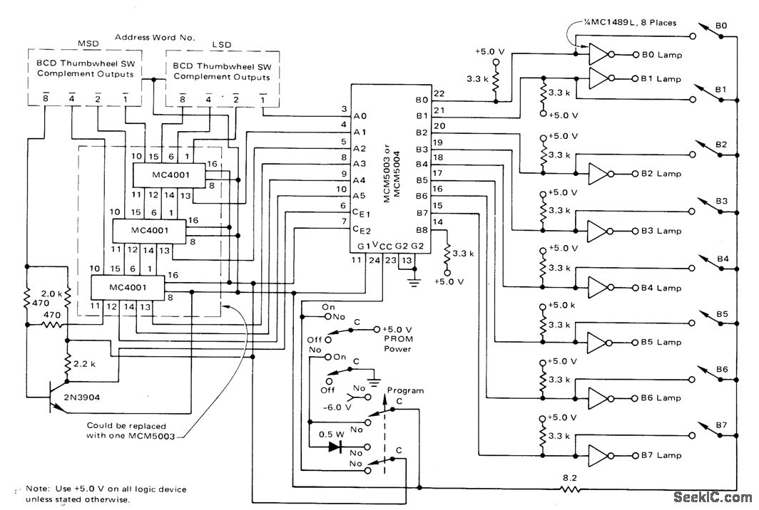
SimpIe manual programmer requires minimum equipment for fusing memory links of Motorola MCM5003 or MCM5004 programmable read-only memory.One link is fused at a time. MC1489 quad line receivers show contents of output bits by driving 5-V 20-mA lamps. Address word number is selected with two BCD thumbwheel switches.Three MC4001 ROMs convert BCD code to that required at address inputs. Program/verify switch must simultaneously be set along withproper output switch for each used bit.-J.E.Prioste, Programming the,MCM5003/5004 Programmable Read Only Memory, Motorola,Phoenix.AZ,1974,AN-550,p4
Reprinted Url Of This Article:
http://www.seekic.com/circuit_diagram/Basic_Circuit/512_BIT_PROM_PROGRAMMER.html
Print this Page | Comments | Reading(3)
Response in 12 hours
© 2008-2012 SeekIC.com Corp.All Rights Reserved.
Code: