Published:2009/7/14 20:37:00 Author:May | From:SeekIC


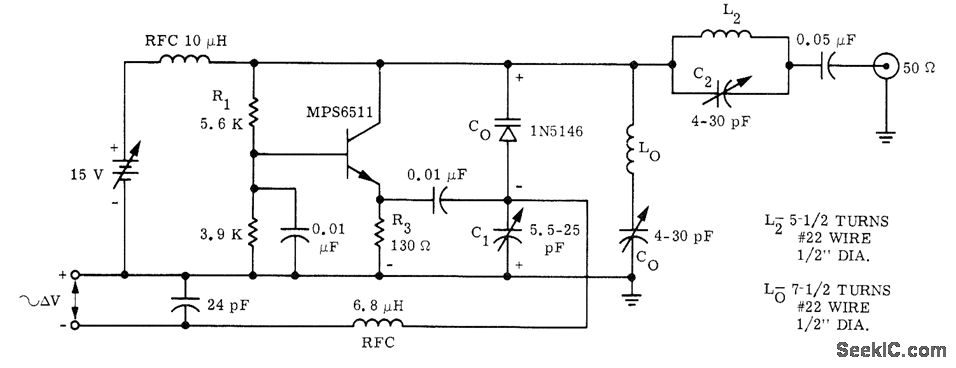
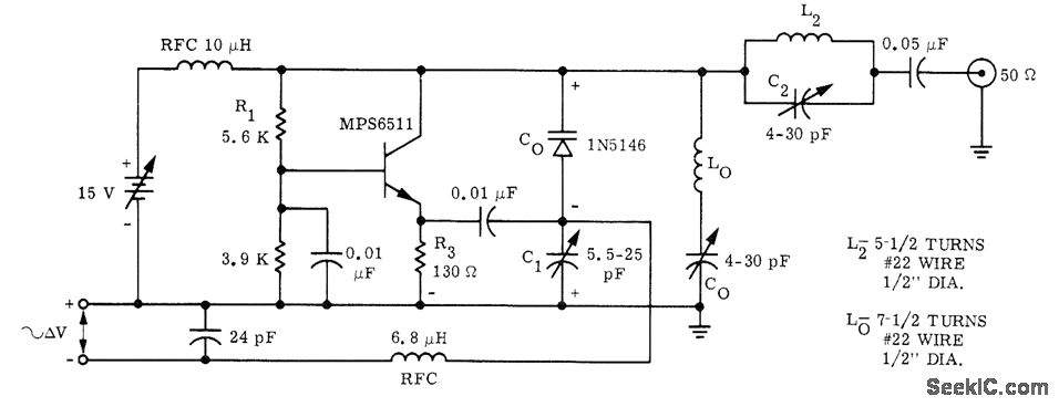
Voltage-variable capacitor CO rovides ±75 kHz modulation of basic 52-MHz transistor oscillator operating from 15-V supply. Modulation linearity is good for voltage inputs up to ±200 mV, making circuit suitable for commercial FM use.- FM Modulation Capabilities of Epicap VVC's, Motorola, Phoenix, AZ, 1973, AN-210, p 2.
Reprinted Url Of This Article:
http://www.seekic.com/circuit_diagram/Basic_Circuit/52_MHz_WITH_VVC_FM.html
Print this Page | Comments | Reading(3)
Code: