Published:2009/7/15 1:50:00 Author:Jessie | From:SeekIC

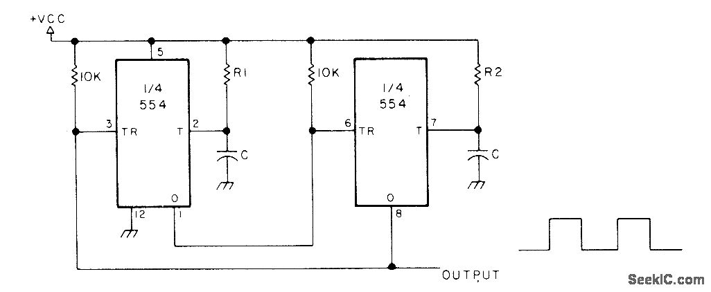
Two sections of 554 quad monostable timer are used. Output frequency is 1/ (R1 + R2) C hertz, and output duty cycle is 100R2/ (R1 + R2). When R1 is equal to R2, symmetrical square wave is obtained VCC is 4.5-16 V at 3-10mA.-H. M. Berlin, IC Timer Review, 73 Magazine,Jan. 1978, p 40-45.
Reprinted Url Of This Article:
http://www.seekic.com/circuit_diagram/Basic_Circuit/554_ASTABLE.html
Print this Page | Comments | Reading(3)
Code: